2024-01-23 10:08
已查看182次
山東普創工業科技有限公司為您提供YY 91020-1999《輸血、輸液及配套用針》針管剛度測試:
檢測儀器:
PMT-100N針管剛性韌性測試儀

測試要求:
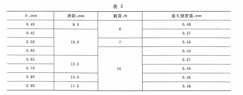
將針管置于儀器的兩支點上,使其中間受載﹐載荷大小、跨距按表3的規定。其針管的最大撓度值應符合表3的規定。

產品簡介:
PMT-100N是根據注射針相關標準研發的專業適用于注射針剛性、韌性性能測試的設備。適用于人體皮內、皮下、肌肉和靜脈一次性注射針針管、預灌封注射器針管等醫用硬直不銹鋼針管的剛性和韌性測試。
產品標準:
《GB 15811-2016 一次性使用無菌注射針》
《YBB00112004-2015 預灌封注射器組合件(帶注射針)》
《YBB000992004-2015 預灌封注射器用不銹鋼注射針》
《GB/T 18457-2015 制造醫療器械用不銹鋼針管》
《YY T 0282-2009 注射針》
《YY 91018-1999麻醉針》
YY 91020-1999《輸血、輸液及配套用針》
查看更多 >
?查看更多 >
?查看更多 >
?查看更多 >
?查看更多 >
?查看更多 >
?
聯系我們