2024-06-19 10:12
已查看97次
1范圍
本標準規定了燒結金屬多孔材料拉伸性能的檢測方法。
本標準適用于粉末冶金方法生產的燒結金屬多孔材料,包括燒結金屬纖維多孔材料,燒結金屬粉末多孔材料及金屬泡沫材料,不適宜致密金屬材料。
2規范性引用文件
下列文件對于本文件的應用是的。凡是注日期的引用文件,僅注日期的版本適用于本文件。凡是不注日期的引用文件,其最新版本(包括所有的修改單)適用于本文件。
GB/T 228.1金屬材料拉伸試驗第1部分;室溫試驗方法
GB/T 16825.1﹑靜力單軸試驗機的檢驗﹑第1部分:拉力和(或)壓力試驗機﹑測力系統的檢驗與校準
GB/T 22066靜力單軸試驗機用計算機數據采集系統的評定
3術語和定義
GB/T 228.1界定的術語和定義適用于本文件。
4原理
GB/T 228.1中的原理適用于本文件。
檢測設備:
ETT-C材料試驗機(萬能試驗機)

5試樣
5.1試樣形狀和尺寸
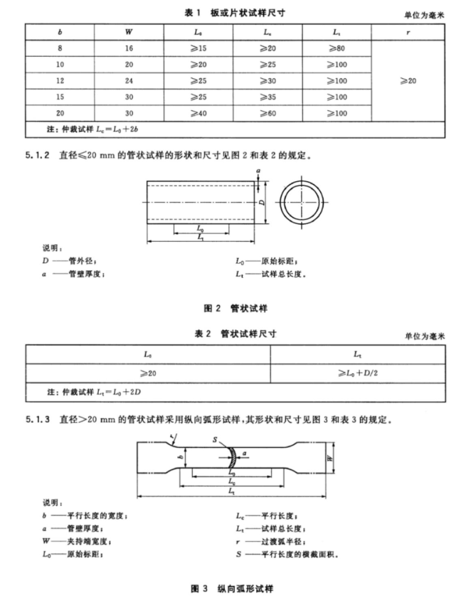
5.1.1板或片狀試樣的形狀和尺寸見圖1和表1的規定。



5.2試樣取樣
5.21―對力學性能表現各向異性的燒結金屬多孔材料(即在面內和厚度方向受力表現出不同的力學行為),應標注受力方向。一般工和y為面內方向,z為厚度方向。
5.2.2采用機加工取樣,應保證機加工過程中燒結金屬多孔材料的孔結構不變形及孔隙不被污染。
6試驗設備
6.1試驗機
用于拉伸試驗的試驗機,能夠滿足靜態加載條件,試驗機應有足夠的剛性,在其壓力負荷范圍內,不產生失穩。試驗機的測力系統應按照GB/T 16825.1進行校準,其準確度應為1級或優于1級。計算機控制拉伸試驗機應滿足GB/T 22066的規定。
6.2夾具
選用適宜的試樣夾緊裝置。通常采用楔型夾頭,套環夾頭等傳遞試驗機對試樣施加的負荷。試樣的軸線應與試驗機夾頭中心重合。
7試驗程序
7.1試樣清洗
用丙酮或其他合適的溶劑,清洗試樣上沾的油脂和污物并干燥。7.2試樣尺寸測量
采用相應精度的量具測量試樣的相關尺寸,精確到小數點后兩位有效數字。7.3拉伸試驗
7.3.1按照GB/T 228.1的規定將樣品夾緊。
7.3.2拉伸試驗速度可根據試驗機特點,試樣材質和試驗目的來確定,但應保證所測性能的準確性。除有關技術條件或雙方協議有特殊要求外,拉伸試驗速度為0.5 mm/min~100 mm/min。
7.4數據處理與輸出
試驗結束后,采用相應的處理軟件對數據進行處理,導出相應的應力-應變曲線。

8.2彈性模量E
對于多孔材料,一般采用應力-應變曲線中應力應變呈線性關系時拉伸應力與應變的比值作為彈性模量,見圖4。
8.3屈服強度a.
對于多孔材料的屈服強度,采用的取值方法為:過應變e=0.2%的點做平行于應力應變呈線性關系段的直線,其與拉伸曲線相交的那一點對應的應力值取為屈服強度,見圖4。
8.4抗拉強度a
試樣拉至最大力時應力-應變曲線上所對應的應力值取為抗拉強度﹐見圖4。
9測定性能數值的修約
試驗測定的性能結果數值應按照相關產品標準的要求進行修約。如未規定具體要求,測得的性能結果保留小數點后兩位有效數字。
查看更多 >
?查看更多 >
?查看更多 >
?查看更多 >
?查看更多 >
?查看更多 >
?
聯系我們