2023-04-03 09:36
已查看94次
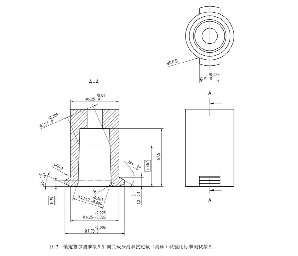
鎖定魯爾圓錐接頭測試儀這款儀器主要是用來測試魯爾圓錐接頭,鎖定接頭的抗過載性,標準接頭不應該越過被測試接頭的螺紋和凸耳。標準中規定,對被測試的接頭施加不小于0.15N.m的扭矩并保持5秒鐘,魯爾接頭的內絲外絲不滑絲為合格。
抗過載(滑絲)試驗(僅適用于鎖定魯爾圓錐接頭)
儀器裝置
標準測試接頭見圖3。

LCCT-01A魯爾圓錐接頭多功能測試儀可同時施加軸向力和扭矩,使供試魯爾圓錐接頭與標準測試接頭組裝的裝置。
計時器精度為秒。
加載裝置可施加0.15~0.17N. m扭矩的裝置。
魯爾圓錐接頭抗滑絲性試驗方法
a )干燥供試接頭和標準測試接頭。
b )通過施加26.5~27.5N的軸向力持續5~6秒,同時施加0.08~0.12N. m的扭矩旋轉供試
圓錐接頭使之組裝。
c )向供試組裝件沿旋緊方向施加0.15~0.17N. m的扭矩,保持5~10秒的時間。不要在其
他方向施加任何力或扭矩。
d)檢查供試接頭是否能夠承受上述扭矩和保持時間不滑絲。
結果判定
供試接頭能夠承受上述扭矩和保持時間不滑絲,判為合格。
查看更多 >
?查看更多 >
?查看更多 >
?查看更多 >
?查看更多 >
?查看更多 >
?
聯系我們